
SMVA Serisi 5/2 Hava Kontrollü Valf
Kompakt tasarımı sayesinde dar alanlarda montaj kolaylığı
Hızlı tetikleme, hassas kontrol
Yüksek sızdırmazlık, üstün performans
Sembol

Teknik Özellikler
Çalışma Akışkanı | Filtrelenmiş Hava |
Çalışma Basıncı | 1,5 - 8 bar |
Max. Çalışma Basıncı | 12 bar |
Çalışma Sıcaklığı | (-20°C) ~ (70°C) |
Gövde Materyali | Alaşımlı Alüminyum |
Sipariş Örneği

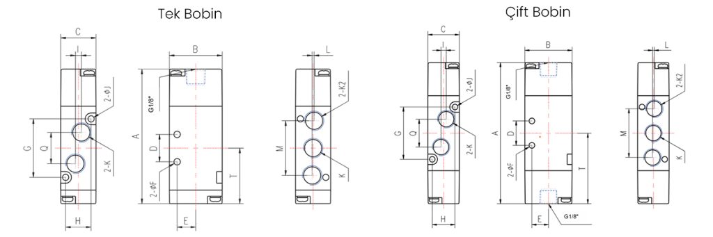
Teknik Ölçüler

MODEL | A | B | C | D | E | F | G | H | J | K | K2 | I | Q | L | M | T |
---|---|---|---|---|---|---|---|---|---|---|---|---|---|---|---|---|
SMVA5218HH0000 | 81 | 27 | 18 | 14 | 9,5 | 3,3 | 30 | 13 | 3,2 | G1/8" | G1/8" | 3 | 16 | 1 | 28 | 40,5 |
SMVA5218HY0000 | 69 | 27 | 18 | 14 | 9,5 | 3,3 | 30 | 13 | 3,2 | G1/8" | G1/8" | 3 | 16 | 1 | 28 | 28,5 |
SMVA5214HH0000 | 92 | 35 | 22 | 20 | 10,5 | 4,3 | 38 | 17 | 3,2 | G1/4" | G1/8" | 3 | 21 | 0 | 36 | 46 |
SMVA5214HY0000 | 78 | 35 | 22 | 20 | 10,5 | 4,3 | 38 | 17 | 3,2 | G1/4" | G1/8" | 3 | 21 | 0 | 36 | 32 |